概述
随着电力电子装置的广泛使用,非线性负荷不断增加,电网中的谐波含量也不断上升,谐波污染对电力系统安全、稳定、经济运行构成潜在威胁,给周围电气环境带来极大影响。如:消耗电力系统的无功储备;增加输电线损耗;增加了电机的附加谐波损耗,使其发热,缩短使用寿命;使电能测量产生较大误差;造成重要的和敏感的自动控制和保护装置工作紊乱,误动和拒动的现象增加,导致可靠性下降等。
JH-MR谐波在线监测装置是我公司新一代产品,能够实时监测和分析电网中母线及线路的电压和电流的基波及2~21次谐波,可对谐波越限给出报警,并通过RS485或RS232通信接口将数据上传至后台监控系统,满足用户对电能质量的监测要求。
本装置广泛适用于380V至220kV各电压等级的发电厂、变电站、石油、煤矿、钢铁、冶金、化工等大型厂矿企业的供电系统。
功能及特点
Ø 采用先进的工业级中央处理器,运算速度快、工作状态稳定、抗干扰性能强。
Ø 装置采用频率自动锁定技术,当系统频率发生变化后,装置仍能得出正确的分析结果。
Ø 基于快速傅里叶变换原理,运算结果快速准确,可对电力线路的基波及2至21次谐波电压、电流、总谐波畸变率进行日常监测。
Ø 监测方式灵活,可通过设定采样间隔和连续越限次数来避开暂态越限。
Ø 报警条件可根据实际需要选择总谐波畸变率越限报警、电压和电流的某次谐波值越限报警,限值可修改。
Ø 越限时自动打印相关信息,并通过通信接口上传数据。
Ø 人机界面友好,汉字显示,操作简单、直观。
Ø 装置可记录30条越限记录。
技术参数
环境要求
Ø 户内使用,通风应良好 。
Ø 环境温度:-45℃ ~ +70℃
Ø 相对湿度:小于90%,表面无凝露 。
Ø 大气压力:80 ~ 110Kpa 。
Ø 海拔高度:< 5500m 。
Ø 周围介质无导电尘埃与导致金属或使绝缘损坏的腐蚀性气体、霉菌等。
技术参数
Ø 工作电源:AC/DC220V(如有特殊要求请在订货时说明),功耗≤20W。
Ø 信号的测量范围:电压:5~120V;PT回路功耗 0.5VA/相。电流:0.25 A ~5 A;CT回路功耗 0.5VA/相。
Ø 报警节点容量:AC250V,5A;DC30V,5A。
Ø 通信接口:RS232/485(任选其一,请在订货时说明),波特率1200~9600bps。
Ø 通信规约:内置三种通信规约CM90、CDT、MODBUS。
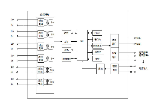
硬件原理框图
液晶显示器:128×64图形点阵液晶,全中文显示。
Ø 指示灯:指示系统当前运行状态
运行:装置工作正常时,“运行”灯有规律的闪烁。
电源:装置工作电源指示。
电压越限:当电压谐波越限后点亮。
电流越限:当电流谐波越限后点亮。
装置故障:装置内部发生故障时点亮。
按键:用于设定参数、查看信息等操作。
打印机:打印越限数据。
随着电力电子装置的广泛使用,非线性负荷不断增加,电网中的谐波含量也不断上升,谐波污染对电力系统安全、稳定、经济运行构成潜在威胁,给周围电气环境带来极大影响。如:消耗电力系统的无功储备;增加输电线损耗;增加了电机的附加谐波损耗,使其发热,缩短使用寿命;使电能测量产生较大误差;造成重要的和敏感的自动控制和保护装置工作紊乱,误动和拒动的现象增加,导致可靠性下降等。
JH-MR谐波在线监测装置是我公司新一代产品,能够实时监测和分析电网中母线及线路的电压和电流的基波及2~21次谐波,可对谐波越限给出报警,并通过RS485或RS232通信接口将数据上传至后台监控系统,满足用户对电能质量的监测要求。
本装置广泛适用于380V至220kV各电压等级的发电厂、变电站、石油、煤矿、钢铁、冶金、化工等大型厂矿企业的供电系统。
功能及特点
Ø 采用先进的工业级中央处理器,运算速度快、工作状态稳定、抗干扰性能强。
Ø 装置采用频率自动锁定技术,当系统频率发生变化后,装置仍能得出正确的分析结果。
Ø 基于快速傅里叶变换原理,运算结果快速准确,可对电力线路的基波及2至21次谐波电压、电流、总谐波畸变率进行日常监测。
Ø 监测方式灵活,可通过设定采样间隔和连续越限次数来避开暂态越限。
Ø 报警条件可根据实际需要选择总谐波畸变率越限报警、电压和电流的某次谐波值越限报警,限值可修改。
Ø 越限时自动打印相关信息,并通过通信接口上传数据。
Ø 人机界面友好,汉字显示,操作简单、直观。
Ø 装置可记录30条越限记录。
技术参数
环境要求
Ø 户内使用,通风应良好 。
Ø 环境温度:-45℃ ~ +70℃
Ø 相对湿度:小于90%,表面无凝露 。
Ø 大气压力:80 ~ 110Kpa 。
Ø 海拔高度:< 5500m 。
Ø 周围介质无导电尘埃与导致金属或使绝缘损坏的腐蚀性气体、霉菌等。
技术参数
Ø 工作电源:AC/DC220V(如有特殊要求请在订货时说明),功耗≤20W。
Ø 信号的测量范围:电压:5~120V;PT回路功耗 0.5VA/相。电流:0.25 A ~5 A;CT回路功耗 0.5VA/相。
Ø 报警节点容量:AC250V,5A;DC30V,5A。
Ø 通信接口:RS232/485(任选其一,请在订货时说明),波特率1200~9600bps。
Ø 通信规约:内置三种通信规约CM90、CDT、MODBUS。
硬件原理框图
图1 装置硬件原理框图
面板说明
JH-MR装置面板示意图见图2所示:
Ø 指示灯:指示系统当前运行状态
运行:装置工作正常时,“运行”灯有规律的闪烁。
电源:装置工作电源指示。
电压越限:当电压谐波越限后点亮。
电流越限:当电流谐波越限后点亮。
装置故障:装置内部发生故障时点亮。
按键:用于设定参数、查看信息等操作。
打印机:打印越限数据。


